This Willenhall gearbox is a useful lock acting as the closest alternative to a number of discontinued Yale locks.
Latch reversal: Undo screws on the side of the lock case, remove the cover, remove the latch, reverse, reinsert and re-attach the cover.
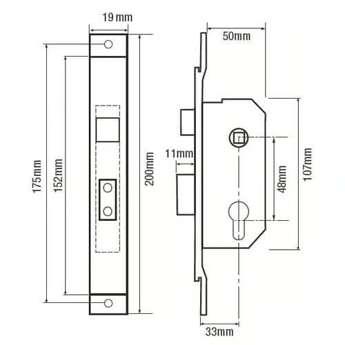
Specifications
- H x W: 107mm x 50mm.
- Centres: 48mm.
- Spindle: Single 8mm.

















